NZ2GNSS2-8TE 三菱帶安全功能遠程輸出模塊
NZ2GNSS2-8TE 三菱帶安全功能遠程輸出模塊
時間:2024-08-18 07:04:09 來源:未知 作者:admin 點擊:998次
NZ2GNSS2-8TE 三菱帶安全功能遠程輸出模塊
NZ2GNSS2-8TE規格,NZ2GNSS2-8TE參數,NZ2GNSS2-8TE外部連接
NZ2GNSS2-8TE參數說明:晶體管源型輸出8點(單一配線時),冗余配線時4點;DC24V 0.5A/1點;響應時間0.4ms,8點1公共端;彈簧夾端子排連接型。

三菱CC-Link IE TSN帶安全功能遠程輸出模塊NZ2GNSS2-8TE產品規格說明
[輸出形式] 晶體管源型
[輸出點數] 單一配線時8點,冗余配線時4點
[額定輸入電壓] DC24V(波動率不超過5%)(允許電壓范圍DC20.4V~28.8V)
[最大負荷電流] 0.5A/1點,4A/1公共端
[最大浪涌電流] 1.0A,不超過10ms
[OFF時漏電流] 不超過0.1mA
[ON時最大電壓下降] DC0.5V(TYP.)0.5A、DC0.8V(MAX.)0.5A
[輸出電路響應時間] 不超過0.4ms(DC24V時)
[安全遠程站安全周期時間] 2.0ms
[通信路徑響應時間] 0.3ms
[安全遠程站刷新響應處理時間] 安全遠程站安全周期時間+通信路徑響應時間
[安全遠程站輸入響應時間] 輸入電路響應時間+輸入響應時間(1ms、1.5ms、5ms、10ms、20ms、50ms、70ms)
[輸入部外部供應電源]
. 電壓:DC24V(波動率不超過5%)(允許電壓范圍DC20.4V~28.8V)
. 電流:70mA
. 保護功能:外部供應電源過電壓保護功能
[輸入連接設備供應用電源電流(COM+)] 0.4A/1端子
[冗余輸出形式] 源+源型
[絕緣耐壓] DC外部端子批量?接地之間 AC510V 1分鐘
[絕緣電阻] DC外部端子批量接地之間?接地之間 經DC500V絕緣電阻計測量為10MΩ或以上
[抗噪強度] 根據DC類型的噪聲電壓500Vp-p、噪聲寬度1μs、噪聲頻率25~60Hz的噪聲模擬器而定
[保護等級] IP2X
[外部連接方式 ]
. 通信部:RJ45連接器
. 模塊電源部:模塊電源·FG用端子排(2片式彈簧夾端子排(壓入))
. 輸入輸出部、外部供應電源部:40點2片式彈簧夾端子排(壓入
[適用電線尺寸]
. 模塊電源·FG用端子排:絞線0.3~1.5 (AWG22~16),端子孔尺寸2.8mm×2.0mm
. 輸入輸出用端子排:絞線0.5~1.5?(AWG20~16)
[循環傳送]
.RX/RY使用點數:16點
.RWr/RWw使用點數:4點
.SA\X/SA\Y使用點數:SA\X 16點
[模塊電源]
.電壓:DC24V(波動率不超過5%)(允許電壓范圍DC20.4V~28.8V)
.電流:170mA
.保護功能:模塊電源過電壓保護功能、模塊電源過電流保護功能
.保險絲:1.6A(不可更換)
[安全要素] 類型B,HFT=1,SC3
[重量] 0.25kg
[外形尺寸H*W*D] 50*142*68mm
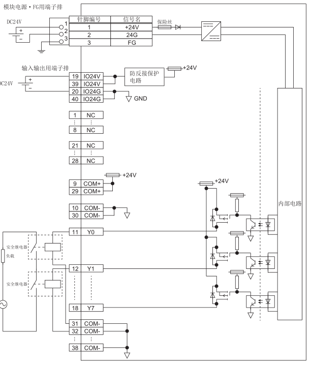
[外部配線]

NZ2GNSS2-8TE規格,NZ2GNSS2-8TE參數,NZ2GNSS2-8TE外部連接
公司主營三菱PLC、伺服、變頻器、觸摸屏,三菱CC-Link IE TSN帶安全功能遠程輸入模塊NZ2GNSS2-8D、NZ2GNSS2-8TE、NZ2GNSS2-16DTE價格優勢,提供技術支持!
NZ2GNSS2-8TE規格,NZ2GNSS2-8TE參數,NZ2GNSS2-8TE外部連接
NZ2GNSS2-8TE參數說明:晶體管源型輸出8點(單一配線時),冗余配線時4點;DC24V 0.5A/1點;響應時間0.4ms,8點1公共端;彈簧夾端子排連接型。

三菱CC-Link IE TSN帶安全功能遠程輸出模塊NZ2GNSS2-8TE產品規格說明
[輸出形式] 晶體管源型
[輸出點數] 單一配線時8點,冗余配線時4點
[額定輸入電壓] DC24V(波動率不超過5%)(允許電壓范圍DC20.4V~28.8V)
[最大負荷電流] 0.5A/1點,4A/1公共端
[最大浪涌電流] 1.0A,不超過10ms
[OFF時漏電流] 不超過0.1mA
[ON時最大電壓下降] DC0.5V(TYP.)0.5A、DC0.8V(MAX.)0.5A
[輸出電路響應時間] 不超過0.4ms(DC24V時)
[安全遠程站安全周期時間] 2.0ms
[通信路徑響應時間] 0.3ms
[安全遠程站刷新響應處理時間] 安全遠程站安全周期時間+通信路徑響應時間
[安全遠程站輸入響應時間] 輸入電路響應時間+輸入響應時間(1ms、1.5ms、5ms、10ms、20ms、50ms、70ms)
[輸入部外部供應電源]
. 電壓:DC24V(波動率不超過5%)(允許電壓范圍DC20.4V~28.8V)
. 電流:70mA
. 保護功能:外部供應電源過電壓保護功能
[輸入連接設備供應用電源電流(COM+)] 0.4A/1端子
[冗余輸出形式] 源+源型
[絕緣耐壓] DC外部端子批量?接地之間 AC510V 1分鐘
[絕緣電阻] DC外部端子批量接地之間?接地之間 經DC500V絕緣電阻計測量為10MΩ或以上
[抗噪強度] 根據DC類型的噪聲電壓500Vp-p、噪聲寬度1μs、噪聲頻率25~60Hz的噪聲模擬器而定
[保護等級] IP2X
[外部連接方式 ]
. 通信部:RJ45連接器
. 模塊電源部:模塊電源·FG用端子排(2片式彈簧夾端子排(壓入))
. 輸入輸出部、外部供應電源部:40點2片式彈簧夾端子排(壓入
[適用電線尺寸]
. 模塊電源·FG用端子排:絞線0.3~1.5 (AWG22~16),端子孔尺寸2.8mm×2.0mm
. 輸入輸出用端子排:絞線0.5~1.5?(AWG20~16)
[循環傳送]
.RX/RY使用點數:16點
.RWr/RWw使用點數:4點
.SA\X/SA\Y使用點數:SA\X 16點
[模塊電源]
.電壓:DC24V(波動率不超過5%)(允許電壓范圍DC20.4V~28.8V)
.電流:170mA
.保護功能:模塊電源過電壓保護功能、模塊電源過電流保護功能
.保險絲:1.6A(不可更換)
[安全要素] 類型B,HFT=1,SC3
[重量] 0.25kg
[外形尺寸H*W*D] 50*142*68mm
[外部配線]

NZ2GNSS2-8TE規格,NZ2GNSS2-8TE參數,NZ2GNSS2-8TE外部連接
公司主營三菱PLC、伺服、變頻器、觸摸屏,三菱CC-Link IE TSN帶安全功能遠程輸入模塊NZ2GNSS2-8D、NZ2GNSS2-8TE、NZ2GNSS2-16DTE價格優勢,提供技術支持!
本頁關鍵詞:NZ2GNSS2-8TE規格,NZ2GNSS2-8TE參數,NZ2GNSS2-8TE外部連接