RX40NC6H 三菱iQ-R系列16點DC高速輸入模塊
產品詳細介紹
RX40NC6H 三菱iQ-R系列16點DC高速輸入模塊
RX40NC6H參數說明:DC輸入16點 DC24V 4mA;響應時間20/50μs,0.1/0.2/0.4/0.6/1/5/10/20/70ms;8點1公共端;負公共端型;18點螺栓端子排。
三菱iQ-R系列輸入模塊RX40NC6H產品規格說明
[輸入類型] DC輸入模塊(負極)
[輸入點數] 16點
[額定輸入電壓] DC24V(電壓允許范圍DC20.4~28.8V)
[額定輸入電流] 6.0mA TYP.(DC24V時)
[ON電壓/ON電流] 15V以上/4mA以上
[OFF電壓/OFF電流] 8V以下/1.7mA以下
[輸入阻抗] 3.9kΩ(60Hz)
[RX40NC6H響應時間]
. OFF→ON:5μs/20μs/50μs/0.1ms/0.2ms/0.4ms/0.6ms/1ms/5ms/10ms/20ms/70ms
. ON→OFF:10μs/25μs/50μs/0.1ms/0.2ms/0.4ms/0.6ms/1ms/5ms/10ms/20ms/70ms
[絕緣耐壓] AC510Vrms 1分鐘之間
[絕緣電阻] 通過絕緣電阻計10MΩ以上
[抗噪強度] 通過模擬器噪聲500Vp-p、噪聲寬度1μs、噪聲頻率25~60Hz的噪聲模擬器
[保護等級] IP2X
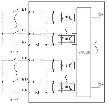
[公共端方式] 8點1公共端(公共端子:TB9、TB18)
[輸入輸出占用點數] 16點(I/O分配:輸入16點)
[中斷功能] 有(CPU單元中設置)
[外線連接方式] 18點螺栓端子排(M3螺絲)
[DC5V內部消耗電流] 100mA
[RX40NC6H外形尺寸H*W*D] 106*27.8*131mm
[重量] 0.16kg
[降額圖]

[電路結構]

[端子連接圖]

RX40NC6H,RX40NC6H價格,RX40NC6H用戶手冊,RX40NC6H外部連接
公司主營三菱觸摸屏、三菱PLC,三菱FX3GA、FX3SA、FX3U、FX5U、iQ-R系列PLC大量現貨,RX40NC6H價格優惠,提供技術支持,歡迎來電咨詢。
RX40NC6H參數說明:DC輸入16點 DC24V 4mA;響應時間20/50μs,0.1/0.2/0.4/0.6/1/5/10/20/70ms;8點1公共端;負公共端型;18點螺栓端子排。
三菱iQ-R系列輸入模塊RX40NC6H產品規格說明
[輸入類型] DC輸入模塊(負極)
[輸入點數] 16點
[額定輸入電壓] DC24V(電壓允許范圍DC20.4~28.8V)
[額定輸入電流] 6.0mA TYP.(DC24V時)
[ON電壓/ON電流] 15V以上/4mA以上
[OFF電壓/OFF電流] 8V以下/1.7mA以下
[輸入阻抗] 3.9kΩ(60Hz)
[RX40NC6H響應時間]
. OFF→ON:5μs/20μs/50μs/0.1ms/0.2ms/0.4ms/0.6ms/1ms/5ms/10ms/20ms/70ms
. ON→OFF:10μs/25μs/50μs/0.1ms/0.2ms/0.4ms/0.6ms/1ms/5ms/10ms/20ms/70ms
[絕緣耐壓] AC510Vrms 1分鐘之間
[絕緣電阻] 通過絕緣電阻計10MΩ以上
[抗噪強度] 通過模擬器噪聲500Vp-p、噪聲寬度1μs、噪聲頻率25~60Hz的噪聲模擬器
[保護等級] IP2X
[公共端方式] 8點1公共端(公共端子:TB9、TB18)
[輸入輸出占用點數] 16點(I/O分配:輸入16點)
[中斷功能] 有(CPU單元中設置)
[外線連接方式] 18點螺栓端子排(M3螺絲)
[DC5V內部消耗電流] 100mA
[RX40NC6H外形尺寸H*W*D] 106*27.8*131mm
[重量] 0.16kg
[降額圖]

[電路結構]

[端子連接圖]

RX40NC6H,RX40NC6H價格,RX40NC6H用戶手冊,RX40NC6H外部連接
公司主營三菱觸摸屏、三菱PLC,三菱FX3GA、FX3SA、FX3U、FX5U、iQ-R系列PLC大量現貨,RX40NC6H價格優惠,提供技術支持,歡迎來電咨詢。
本頁關鍵詞:RX40NC6H,RX40NC6H價格,RX40NC6H用戶手冊